成都天屹测控技术有限公司主营:电量传感器、霍尔传感器、电测仪表、数显控制仪表、信号隔离器|安全栅、无纸记录仪、压力传感器等产品!
当前位置:首页 > 产品展示 > 电量传感器 > 智能电量传感器 > 开关量输入模块 > 信息列表
产品筛选

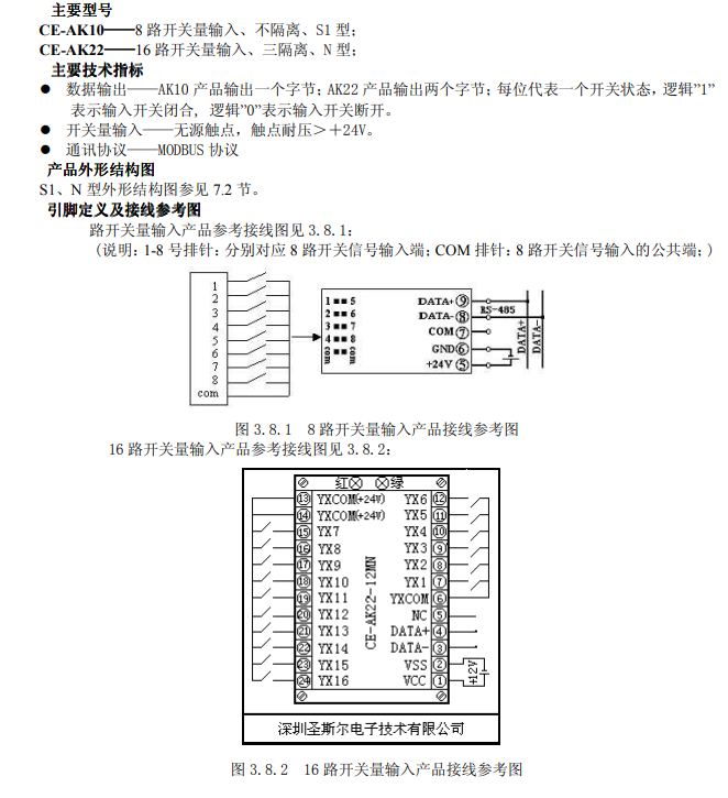
开关量输入模块

  • 产品型号:CE-AK10-*/CE-AK22-*
  • 输入规格:无源触点,触点耐压>+24V。
  • 输出规格:AK10产品输出一个字节;AK22产品输出两个字节;每位代表一个开关状态,逻辑”1”表示输入开关闭合, 逻辑”0”表示输入开关断开。
  • 辅助电源:
  • 孔径大小:
  • 安装方式:导轨
订购热线: 028-87032209
  • 产品描述

 

网站首页        关于我们        新闻资讯        产品展示        下载中心        在线留言        联系我们
版权所有:成都天屹测控技术有限公司      网站制作策划:成都市万企科技      公安备案号:51012402000362
客服热线:13540687770      电话:028-87032209      公司办公地址:四川成都天目路77号保利香槟国际9-2-607      蜀ICP备13022269号-1
咨询客服
点击这里给我发消息
点击这里给我发消息