成都天屹测控技术有限公司主营:电量传感器、霍尔传感器、电测仪表、数显控制仪表、信号隔离器|安全栅、无纸记录仪、压力传感器等产品!
当前位置:首页 > 产品展示 > 电量传感器 > 智能电量传感器 > 多路直流组合式智能变送器 > 信息列表
产品筛选

多路直流组合式智能变送器

  • 产品型号:CE-AD81-3
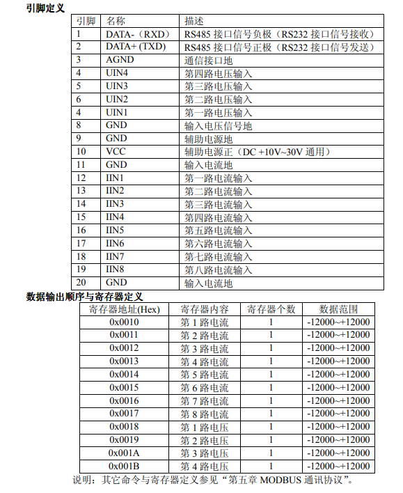
  • 输入规格:电压测量范围:0~500V;电流量程:0~20mA。
  • 输出规格:输出8路电流和4路电压;输出参数都是以满量程的百分比形式输出数据(仅支持MODBUS协议)。
  • 辅助电源:
  • 孔径大小:
  • 安装方式:导轨
订购热线: 028-87032209
  • 产品描述

 

网站首页        关于我们        新闻资讯        产品展示        下载中心        在线留言        联系我们
版权所有:成都天屹测控技术有限公司      网站制作策划:成都市万企科技      公安备案号:51012402000362
客服热线:13540687770      电话:028-87032209      公司办公地址:四川成都天目路77号保利香槟国际9-2-607      蜀ICP备13022269号-1
咨询客服
点击这里给我发消息
点击这里给我发消息