成都天屹测控技术有限公司主营:电量传感器、霍尔传感器、电测仪表、数显控制仪表、信号隔离器|安全栅、无纸记录仪、压力传感器等产品!
当前位置:首页 > 产品展示 > 电量传感器 > 交直流通用型电流传感器 > WBI121G07交直流电流传感器 > 信息列表
产品筛选

WBI121G07交直流电流传感器

  • 产品型号:WBI121G07
  • 输入规格: AC/DC 1mA-50mA范围可选
  • 输出规格:跟踪电压3.5V,5V
  • 辅助电源:DC ±12V
  • 孔径大小:-
  • 安装方式:PCB安装
订购热线: 028-87032209
  • 产品描述

说明

     本产品采用线性光电隔离原理,对电网或电路中的交直流电流进行实时测量,将其变换为高速的跟踪电压(VG)输出;具有体积小、响应快、高精度、低漂移、高隔离、低功耗、宽频响等特点,适用于各种快速反应波形交直流电流的跟踪隔离测量。

技术参数

 

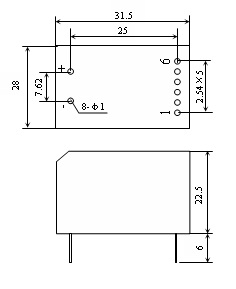
外形尺寸图(单位:mm)

 

接线图

 

上一条:WBI121G27交直流电流传感器

下一条:暂无内容

网站首页        关于我们        新闻资讯        产品展示        下载中心        在线留言        联系我们
版权所有:成都天屹测控技术有限公司      网站制作策划:成都市万企科技      公安备案号:51012402000362
客服热线:13540687770      电话:028-87032209      公司办公地址:四川成都天目路77号保利香槟国际9-2-607      蜀ICP备13022269号-1
咨询客服
点击这里给我发消息
点击这里给我发消息