公司动态 行业新闻
电量传感器 交流电流隔离传感器 直流电流隔离传感器 交直流通用型电流传感器 漏电流传感器 交流电压隔离传感器 直流电压隔离传感器 交直流通用型电压传感器 霍尔电流传感器 霍尔电压传感器 高精度霍尔传感器 频率传感器 功率传感器 调理器、配电器 越限报警传感器 无源交流采样器 智能电量传感器 WB系列配套产品 电测仪表 智能电力测控仪 单相全电量多功能数显表 单相交流电流智能数显表 单相交流电压智能数显表 三相交流电流多功能数显表 三相交流电压多功能数显表 三相电压和三相电流组合多功能数显表 直流电流智能数显表 直流电压智能数显表 频率、功率因数数显表 单数显表头 多功能智能电能表 三相单回路多功能智能电表 三相多回路多功能智能电表 单相多回路多功能智能电表 单相单回路多功能智能电表 直流电能表 数显控制仪表/无纸记录仪/过程校验仪 数显控制仪表 PID温控器 手动操作器 流量/热量积算控制仪 数字显示容积仪 台式打印控制仪 闪光报警器 无纸记录仪 过程校验仪 信号隔离器/安全栅 信号隔离器 信号配电器 安全栅 压力变送器/差压变送器 温度传感器 流量计/液位计
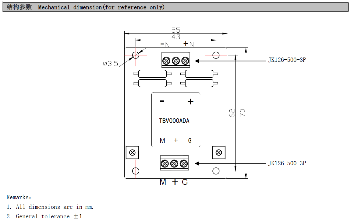
上一条:南京托肯TBV-AD霍尔电压变送器/传感器
下一条:南京托肯TDC-EB直流漏电流传感器/霍尔传感器/磁调制式