成都天屹测控技术有限公司主营:电量传感器、霍尔传感器、电测仪表、数显控制仪表、信号隔离器|安全栅、无纸记录仪、压力传感器等产品!
当前位置:首页 > 产品展示 > 电量传感器 > 无源交流采样器 > WBCPT41E901交流电流、电压组合采样器 > 信息列表
产品筛选

WBCPT41E901交流电流、电压组合采样器

  • 产品型号:WBCPT41E901
  • 输入规格:AC 10V~1000V, AC 5A~30A
  • 输出规格:AC 1V
  • 辅助电源:-
  • 孔径大小:-
  • 安装方式:PCB安装
订购热线: 028-87032209
  • 产品描述

说明

     本产品采用特制隔离模块,对电网和电路中的工频交流电压和电流同时进行实时测量,将它们变换为同频同相的交流电压(VG)输出;本产品把两路单相产品的电路内容,组装在一只同样大小的外壳之中,具有体积小、无须辅助电源、可靠性高、无漂移、线性好、响应快、性能/价格比高等特点。本产品采用直插式结构,适用于电源设备、电力网监测自动化系统、工控监测系统、铁路信号系统等。

技术参数

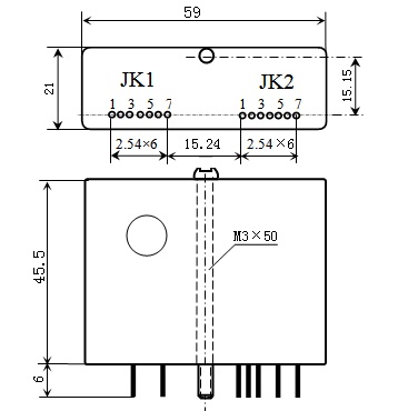
外形尺寸图(单位:mm)

接线图

 

网站首页        关于我们        新闻资讯        产品展示        下载中心        在线留言        联系我们
版权所有:成都天屹测控技术有限公司      网站制作策划:成都市万企科技      公安备案号:51012402000362
客服热线:13540687770      电话:028-87032209      公司办公地址:四川成都天目路77号保利香槟国际9-2-607      蜀ICP备13022269号-1
咨询客服
点击这里给我发消息
点击这里给我发消息