成都天屹测控技术有限公司主营:电量传感器、霍尔传感器、电测仪表、数显控制仪表、信号隔离器|安全栅、无纸记录仪、压力传感器等产品!
当前位置:首页 > 产品展示 > 电量传感器 > 无源交流采样器 > WBCT43B402无源交流电流采样器 > 信息列表
产品筛选

WBCT43B402无源交流电流采样器

  • 产品型号:WBCT43B402
  • 输入规格:AC2A~8A范围可选
  • 输出规格:2000比1
  • 辅助电源:-
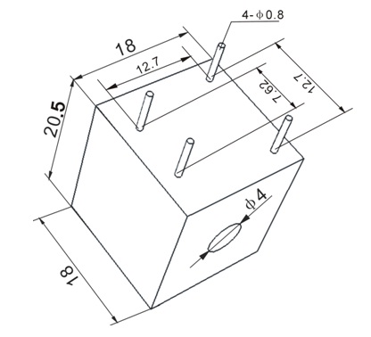
  • 孔径大小:Φ4
  • 安装方式:PCB安装
订购热线: 028-87032209
  • 产品描述

说明

     本产品采用特制隔离模块,将被测交流电流隔离转换成同频同相的交流电流信号;本产品无须辅助电源,具有体积小、可靠性高、线性好、响应快、性价比高等特点;本产品采用插针式结构,适用于电力行业的交流采样系统,尤其在铁路监测系统的移频通讯中应用最广。

技术参数

外形尺寸图(单位:mm)

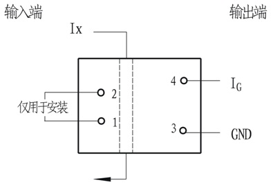
接线图

 

网站首页        关于我们        新闻资讯        产品展示        下载中心        在线留言        联系我们
版权所有:成都天屹测控技术有限公司      网站制作策划:成都市万企科技      公安备案号:51012402000362
客服热线:13540687770      电话:028-87032209      公司办公地址:四川成都天目路77号保利香槟国际9-2-607      蜀ICP备13022269号-1
咨询客服
点击这里给我发消息
点击这里给我发消息