成都天屹测控技术有限公司主营:电量传感器、霍尔传感器、电测仪表、数显控制仪表、信号隔离器|安全栅、无纸记录仪、压力传感器等产品!
当前位置:首页 > 产品展示 > 电量传感器 > 交直流通用型电压传感器 > WBV121G27交直流通用电压传感器 > 信息列表
产品筛选

WBV121G27交直流通用电压传感器

  • 产品型号:WBV121G27
  • 输入规格:AC/DC 75mV, 100mV
  • 输出规格:AC/DC 0~3.5V
  • 辅助电源:DC ±12V
  • 孔径大小:-
  • 安装方式:PCB安装
订购热线: 028-87032209
  • 产品描述

说明 

       本产品采用线性光电隔离原理,对电网或电路中的电流信号进行实时测量,将其变换为高速的跟踪电压(Ug)输出;具有体积小、响应快、宽频响、高精度、高隔离、低功耗、低漂移、温度范围宽等特点。本产品采用直插式结构,适用于各种波形电流的跟踪隔离测量。特别可用于模拟量的高速数据采集系统、变频调速设备、可控硅控制设备及其他电气设备中用作跟踪测量。

技术参数

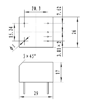
外形尺寸图(单位:mm)

接线图

 

 

网站首页        关于我们        新闻资讯        产品展示        下载中心        在线留言        联系我们
版权所有:成都天屹测控技术有限公司      网站制作策划:成都市万企科技      公安备案号:51012402000362
客服热线:13540687770      电话:028-87032209      公司办公地址:四川成都天目路77号保利香槟国际9-2-607      蜀ICP备13022269号-1
咨询客服
点击这里给我发消息
点击这里给我发消息