成都天屹测控技术有限公司主营:电量传感器、霍尔传感器、电测仪表、数显控制仪表、信号隔离器|安全栅、无纸记录仪、压力传感器等产品!
当前位置:首页 > 产品展示 > 电量传感器 > 交流电压隔离传感器 > WBV412D01交流电压传感器 > 信息列表
产品筛选

WBV412D01交流电压传感器

  • 产品型号:WBV412D01
  • 输入规格:AC 10V-1000V范围可选(需按1kΩ/V的比例外串限流电阻)
  • 输出规格:DC 0~5V
  • 辅助电源:DC 12V,15V
  • 孔径大小:-
  • 安装方式:PCB安装
订购热线: 028-87032209
  • 产品描述

 说明

        本产品采用特制隔离模块,对电网和电路中的工频交流电压进行实时测量,将其变换为标椎的直流电压(VZ)输出;具有高精度、高隔离、宽频响、低漂移、低功耗、温度范围宽、体积小等特点。本产品适用于电源设备、电力网监测自动化系统、工控监测系统、铁路信号系统等。

技术参数

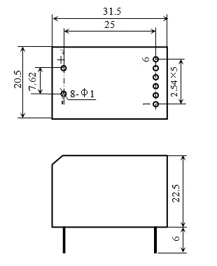
外形尺寸图(单位:mm)

接线图

 

 

网站首页        关于我们        新闻资讯        产品展示        下载中心        在线留言        联系我们
版权所有:成都天屹测控技术有限公司      网站制作策划:成都市万企科技      公安备案号:51012402000362
客服热线:13540687770      电话:028-87032209      公司办公地址:四川成都天目路77号保利香槟国际9-2-607      蜀ICP备13022269号-1
咨询客服
点击这里给我发消息
点击这里给我发消息